
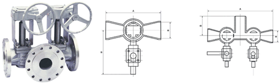
沖洗旋塞閥產品圖 沖洗旋塞閥外形尺寸圖
主要連接尺寸
公稱通經 | 150L單沖洗()SINGLE FLUSHB | 公稱通經 | 150L雙沖洗()SINGLE FLUSHB | |||||
A | B | ? | A | B | C | ? | ||
2 | 216 | 278 | 54.8 | 2 | 432 | 115 | 278 | 54.8 |
3 | 305 | 278 | 82.8 | 3 | 585 | 140 | 293 | 82.8 |
4 | 356 | 293 | 108.2 | 4 | 686 | 150 | 308 | 108.2 |
6 | 432 | 308 | 161.5 | 6 | 842 | 200 | 320 | 161.5 |
8 | 508 | 320 | 211.6 | 8 | 970 | 270 | 270 | 211.6 |
10 | 572 | 333 | 264.7 | 10 | 1144 | 350 | 350 | 264.7 |
300L單沖洗()SINGLE FLUSHB | 300L雙沖洗()SINGLE FLUSHB | |||||||
A | B | ? | A | B | C | ? | ||
2 | 216 | 278 | 54.8 | 2 | 432 | 115 | 278 | 54.8 |
3 | 305 | 278 | 82.8 | 3 | 585 | 140 | 293 | 82.8 |
4 | 356 | 293 | 108.2 | 4 | 686 | 150 | 308 | 108.2 |
6 | 432 | 308 | 161.5 | 6 | 842 | 200 | 320 | 161.5 |
8 | 508 | 320 | 211.6 | 8 | 970 | 270 | 270 | 211.6 |
10 | 572 | 333 | 264.7 | 10 | 1144 | 350 | 350 | 264.7 |